Electronic Devices Dept
電子デバイス部門
機器の高温動作に対応した動作温度定格135℃の小型フォトリレー発売
- 既存製品よりも高い動作温度定格:動作温度定格 135℃
- 小型パッケージ:S-VSON4T(1.45mm×2.0mm(typ.))
メーカー:東芝デバイス&ストレージ株式会社

製品説明
近年、電動化や自動運転への対応により、車載機器への電子部への高密度実装が進んでおります。それに伴い、車載半導体の使用環境は高温化しており、信頼性評価の観点から高温条件での試験が重要視されています。そのため、車載半導体用のテスターやバーンイン装置、プローブカードなどでも高温動作への対応が求められ、それらの機器に使われるフォトリレーにも高温動作が必要となります。
小型S-VSON4Tパッケージを採用した最大動作温度定格135℃の電圧駆動型フォトリレーを4品種「TLP3407SRB」「TLP3412SRB」「TLP3412SRHB」「TLP3412SRLB」製品化し、量産開始しました。
新製品は、内蔵する素子の設計を最適化することで、最大動作温度定格を既存製品「TLP3407SRA」「TLP3412SRA」「TLP3412SRHA」「TLP3412SRLA」の125℃から135℃に拡張されました。また、入力側に抵抗を内蔵した電圧駆動型のため外付け抵抗が不要で、実装基板上の省スペース化が可能となります。さらに、パッケージは、1.45mm×2.0mm(typ.)の小型S-VSON4Tを採用しております。これらにより新製品は、限られた基板エリアに多数のフォトリレーを搭載する必要がある、かつ高温動作が求められる車載半導体用テスターやバーンイン装置、プローブカードなどの用途に適しています。
有力アプリケーション
- メモリー、SoC、LSIなどの評価に使われる半導体テスター
- プローブカード
- バーンイン装置
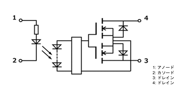
内部回路図

新製品の主な特徴
(特に指定のない限り、Ta=25°C)
| 品番 | TLP3407SRB | TLP3412SRB | TLP3412SRHB | TLP3412SRLB | ||||
|---|---|---|---|---|---|---|---|---|
| パッケージ | 名称 | S-VSON4T | ||||||
| サイズ (mm) | 1.45×2.0 (typ.)、t=1.4 (max) | |||||||
| 接点方式 | 1a (ノーマリーオープン) |
|||||||
| 絶対最大定格 | 動作温度 Topr (°C) | -40~135 | ||||||
| 阻止電圧 VOFF (V) | 60 | 60 | 60 | 60 | ||||
| オン電流 ION (A) | 1 | 0.4 | 0.4 | 0.4 | ||||
| オン電流 (パルス) IONP (A) | 3 | 1.2 | 1.2 | 1.2 | ||||
| 推奨動作条件 | 入力順電圧 VIN (V) | Typ. | 3.3 | 3.3 | 5 | 1.8 | ||
| Max | 6 | 6 | 5.5 | 3.3 | ||||
| 結合特性 | リミット LED 電流 ILIM(LED) (mA) |
VIN=5.5V、 Ta=135°C |
Max | - | - | 2 | - | |
| VIN=3.3V、 Ta=135°C |
Max | 1 | 2 | - | - | |||
| VIN=1.8V、 Ta=135°C |
Max | - | - | - | 10 | |||
| 動作電圧 VFON (V) |
ION=100mA | Max | 3 | 3 | 3.9 | 1.6 | ||
| オン抵抗 RON (Ω) | Max | 0.3 | 1.5 | 1.5 | 1.5 | |||
| 電気的特性 | 端子間容量 (出力側) COFF (pF) |
V=0V、 f=1MHz、 t<1s |
Max | 150 | 20 | 20 | 20 | |
| オフ電流 IOFF (nA) |
VOFF=50V | Max | 1 | 1 | 1 | 1 | ||
| スイッチング特性 | ターンオン時間 tON (ms) |
RL=200Ω、 VDD=20V、 VIN=5.0V |
Max | - | - | 1.5 | - | |
| RL=200Ω、 VDD=20V、 VIN=3.3V |
Max | 10 | 1 | - | 0.1 | |||
| RL=200Ω、 VDD=20V、 VIN=1.8V |
Max | - | - | - | 0.3 | |||
| ターンオフ時間 tOFF (ms) |
RL=200Ω、 VDD=20V、 VIN=5.0V |
Max | - | - | 0.5 | - | ||
| RL=200Ω、 VDD=20V、 VIN=3.3V |
Max | 1 | 0.5 | - | 0.225 | |||
| RL=200Ω、 VDD=20V、 VIN=1.8V |
Max | - | - | - | 0.15 | |||
| 絶縁特性 | 絶縁耐圧 BVS (Vrms) |
AC、60s | Min | 500 | 500 | 500 | 500 | |
